LS型、GX型螺旋输送机
详细说明:
一、特点及应用
LS型螺旋输送机是按照JB/T679-95《螺旋输送机》标准设计制造,是GX型螺旋输送机的换代产品。头部及尾部轴承移至壳体外,吊轴承采用滑动轴承,设有防尘密封装置,轴瓦一般采用粉末冶金,输送水泥采用毛毡轴瓦、吊轴和螺旋轴采用滑块连接,拆卸螺旋时,不用移动驱动装置,拆卸吊轴承时不用移动螺旋,不拆卸盖板可以润滑吊轴承,整机可靠性高,寿命长,适应性强,安装维修方便。
螺旋机广泛应用于各行业,如建材、化工、电力、冶金、煤矿炭、粮食等行业,适用于水平或倾斜输送粉状、粒状和小块状物料,如煤矿、灰、渣、水泥、粮食等,物料温度小于200℃。螺旋机不适于输送易变质的、粘性大的、易结块的物料。
二、技术参数
LSGX系列螺旋输送机主要技术参数:
|
LS型 |
100 |
160 |
200 |
250 |
315 |
400 |
500 |
630 |
800 |
1000 |
1250 |
|
GX型 |
|
|
200 |
250 |
300 |
400 |
500 |
|
|
|
|
|
螺旋直径(mm) |
100 |
160 |
200 |
250 |
315 |
400 |
500 |
630 |
800 |
1000 |
1250 |
|
螺距(mm) |
100 |
160 |
200 |
250 |
315 |
355 |
400 |
450 |
500 |
560 |
630 |
|
转速(r/min) |
140 |
120 |
90 |
90 |
75 |
75 |
60 |
60 |
45 |
35 |
30 |
|
输送量QΦ=0.33(m3/h) |
2.2 |
7.6 |
11 |
22 |
36.4 |
66.1 |
93.1 |
160 |
223 |
304 |
458 |
|
功率Pd 1=10m(KW) |
1.1 |
1.5 |
2.2 |
2.4 |
3.2 |
5.1 |
4.1 |
8.6 |
12 |
16 |
24.4 |
|
功率Pd 1=30m(KW) |
1.6 |
2.8 |
3.2 |
5.3 |
8.4 |
11 |
15.3 |
25.9 |
36 |
48 |
73.3 |
|
转速(r/min) |
120 |
90 |
75 |
75 |
60 |
60 |
45 |
45 |
35 |
30 |
20 |
|
输送量QΦ=0.33(m3/h) |
1.9 |
5.7 |
18 |
18 |
29.1 |
52.9 |
69.8 |
125 |
174 |
261 |
305 |
|
功率Pd 1=10m(KW) |
1.0 |
1.3 |
2.1 |
2.1 |
2.9 |
4.1 |
4.7 |
6.8 |
9.4 |
14.1 |
16.5 |
|
功率Pd 1=30m(KW) |
1.5 |
2.3 |
4.5 |
4.5 |
7 |
8.9 |
11.6 |
20.4 |
28.3 |
42.2 |
49.5 |
|
转速(r/min) |
90 |
75 |
60 |
60 |
45 |
45 |
35 |
35 |
30 |
20 |
16 |
|
输送量QΦ=0.33(m3/h) |
1.4 |
4.8 |
15 |
15 |
21.8 |
39.6 |
54.3 |
97 |
149 |
174 |
244 |
|
功率Pd 1=10m(KW) |
0.9 |
1.2 |
1.9 |
1.9 |
2.5 |
3.4 |
4.3 |
5.4 |
8.1 |
9.5 |
13.3 |
|
功率Pd 1=30m(KW) |
1.2 |
2.2 |
3.8 |
3.8 |
5.4 |
6.8 |
9.2 |
16 |
24.4 |
28.6 |
39.9 |
|
转速(r/min) |
75 |
60 |
45 |
45 |
35 |
35 |
30 |
30 |
20 |
16 |
13 |
|
输送量QΦ=0.33(m3/h) |
1.2 |
3.8 |
11 |
11 |
17 |
31.7 |
46.5 |
73.0 |
99.3 |
139 |
199 |
|
功率Pd 1=10m(KW) |
0.75 |
1.1 |
1.6 |
1.6 |
2.1 |
3.1 |
3.7 |
4.6 |
5.7 |
7.7 |
11 |
|
功率Pd 1=30m(KW) |
1.1 |
1.8 |
3.4 |
3.4 |
4.4 |
5.6 |
8 |
14 |
16.7 |
23.2 |
33 |
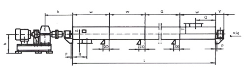
LS系列螺旋输送机外型尺寸:
|
型号 |
W |
A |
B |
C |
D |
N |
Q |
Y |
L |
K |
R |
S |
P |
O |
H |
V |
J |
T |
G |
L |
|
LS100 |
2500 |
100 |
180 |
146 |
10 |
4 |
180 |
190 |
90 |
112 |
180 |
112 |
60 |
178 |
120 |
160 |
14 |
163 |
1500 |
3500- |
|
LS160 |
2500 |
160 |
240 |
206 |
10 |
4 |
200 |
190 |
112 |
150 |
200 |
150 |
60 |
270 |
120 |
160 |
14 |
190 |
||
|
LS200 |
3000 |
200 |
300 |
256 |
14 |
8 |
225 |
190 |
112 |
180 |
225 |
180 |
60 |
308 |
160 |
200 |
14 |
212 |
||
|
LS250 |
3000 |
250 |
350 |
306 |
14 |
8 |
250 |
190 |
140 |
224 |
250 |
224 |
60 |
336 |
200 |
250 |
18 |
240 |
40000- |
|
|
LS315 |
3000 |
315 |
425 |
370 |
14 |
8 |
330 |
190 |
214 |
280 |
390 |
250 |
60 |
443 |
300 |
350 |
20 |
340 |
||
|
LS400 |
3000 |
400 |
500 |
456 |
14 |
8 |
3580 |
190 |
224 |
355 |
390 |
280 |
60 |
533 |
320 |
400 |
24 |
384 |
||
|
LS500 |
3000 |
500 |
600 |
556 |
14 |
8 |
400 |
190 |
280 |
400 |
400 |
340 |
80 |
662 |
400 |
500 |
24 |
440 |
2000 |
5500- |
|
LS630 |
3000 |
630 |
730 |
686 |
14 |
8 |
450 |
190 |
355 |
500 |
450 |
420 |
80 |
763 |
500 |
630 |
24 |
555 |
||
|
LS800 |
3000 |
800 |
920 |
868 |
18 |
16 |
550 |
340 |
450 |
630 |
550 |
520 |
80 |
970 |
632 |
800 |
30 |
650 |
||
|
LS1000 |
3000 |
1000 |
1120 |
1068 |
18 |
16 |
650 |
360 |
560 |
710 |
650 |
630 |
80 |
1190 |
710 |
1000 |
30 |
760 |
6000-60000 |
|
|
LS1250 |
3000 |
1250 |
1370 |
1318 |
18 |
16 |
800 |
380 |
710 |
800 |
800 |
760 |
80 |
1440 |
800 |
1250 |
30 |
910 |
GX系列螺旋输送机外型尺寸:
|
型号 |
W |
A |
B |
C |
D |
N |
R |
Y |
L |
K |
M |
S |
P |
O |
H |
V |
J |
T |
G |
|
GX150 |
2000 |
170 |
236 |
216 |
10 |
8 |
190 |
190 |
112 |
140 |
100 |
135 |
17 |
270 |
110 |
160 |
16 |
195 |
1000、1500、2000 |
|
GX200 |
2500 |
220 |
306 |
272 |
10 |
8 |
220 |
190 |
112 |
180 |
200 |
165 |
25 |
308 |
140 |
200 |
16 |
250 |
1500 |
|
GX250 |
2500 |
270 |
356 |
330 |
10 |
8 |
270 |
190 |
140 |
220 |
195 |
28 |
356 |
200 |
260 |
20 |
300 |
||
|
GX300 |
2500 |
320 |
428 |
385 |
14 |
8 |
300 |
190 |
214 |
270 |
225 |
28 |
443 |
240 |
320 |
20 |
350 |
||
|
GX400 |
3000 |
420 |
528 |
492 |
14 |
8 |
350 |
190 |
224 |
340 |
300 |
280 |
30 |
533 |
320 |
400 |
25 |
430 |
1500 |
|
|
|
|
|
|
|
|
|
|
|
|
|
|
|
|
|
|
|
- 下一篇:板链输送机